Green Pin® Self Locking Hook E RT GR10
Grade 10 eye self locking hook with recessed trigger
Product code:
UXLORT
Material:
Alloy steel, grade 10, quenched and tempered
Safety Factor:
MBL equals 4 x WLL
Standard:
Follows the EN1677 with grade 10 values and conforms to
ASTM A952/A952M
Finish:
Painted blue
Temperature Range:
-40 °C up to +200 °C
Certification:
2.1 2.2 3.1 MTC a MPIb DGUV CE IIB
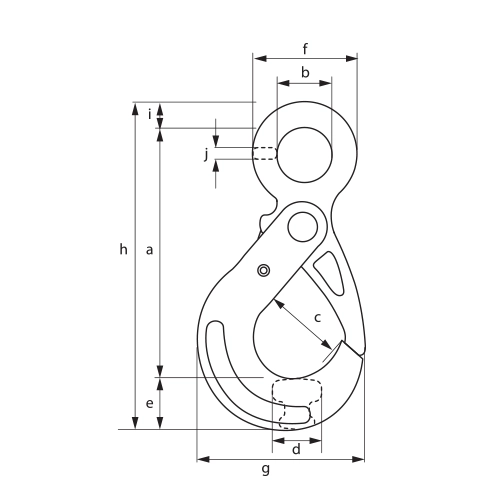
| For Chain Diameter (mm) | Working Load Limit t | Length a (mm) | Diameter Inside Eye b (mm) | Width Opening c (mm) | Thickness d (mm) | Width e (mm) | Width Outside f (mm) | Wisth Outside g (mm) | Length h (mm) | Width i (mm) | Thickness j (mm) | Weight Each kg |
|---|---|---|---|---|---|---|---|---|---|---|---|---|
| 7/8 | 2.6 | 136 | 30 | 43 | 24 | 28 | 57 | 91 | 178 | 14 | 7 | 0.90 |
| 10 | 4 | 168 | 36 | 48 | 32 | 34 | 68 | 111 | 218 | 16 | 10 | 177 |
| 13 | 6.8 | 201 | 47 | 63 | 37 | 43 | 87 | 141 | 264 | 20 | 13 | 3.34 |
| 16 | 10.3 | 251 | 60 | 75 | 43 | 56 | 111 | 182 | 332 | 26 | 16 | 6.98 |
| 20 | 16 | 283 | 70 | 90 | 52 | 62 | 126 | 203 | 373 | 28 | 20 | 9.20 |
CAD RFID INFO